

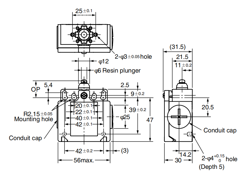
C4N-8131
◼ Dispositif d'action forcée à contacts NC uniquement, pour déconnecter le contact
◼ lorsque le contact a des défauts de fusion et autres
◼ La structure de joint supérieur renforcée améliore les performances d'étanchéité
◼ Le support de contact intégré est de type à action rapide : 1NC/1NO ; Action lente : 1NC
/1NO et 2NC
Article |
Code |
Description |
①Taille du conduit/connecteur |
1 |
Pg13.5 (1 type de conduit) |
4 |
M20 (1 type de conduit) |
|
5 |
Pg13.5 (2 types de conduits) |
|
8 |
M20 (2 types de conduits) |
|
②Interrupteur intégré |
1 |
1NC/1NO (type à action rapide) |
2 |
2NC (type à action rapide) |
|
A |
1NC/1NO (type à action lente) |
|
B |
2NC (type à action lente) |
|
③Tête et tige de commande |
20 |
Levier à rouleau (levier en résine, balle en résine) |
22 |
Levier à rouleau (levier en métal, balle en résine) |
|
25 |
Levier à rouleau (levier en métal, balle en résine métallique) |
|
2G |
Levier à rouleau réglable, verrouillage de forme (levier en métal, balle en résine) |
|
2H |
Levier à rouleau réglable, verrouillage de forme (levier en métal, balle en caoutchouc) |
|
2M |
Levier à rouleau réglable, verrouillage de forme (levier en métal, balle en résine métallique) |
|
31 |
Type de piston supérieur |
|
32 |
Type de bille de piston supérieur |
|
62 |
Type de cantilever unilatéral à bille (horizontal) |
|
72 |
Type de cantilever unilatéral à bille (vertical) |
|
80 |
Type de moustache |
|
87 |
Type de bâton en plastique |
Niveau de protection |
IP66 |
|
Vie |
Électrique |
Plus de 500 000 fois (AC250V 3A, charge résistive) |
Vitesse de fonctionnement |
1mm-0.5m/s(C4N-4120) |
|
Fréquence de fonctionnement |
El Électrique : 30 opérations/min |
|
Résistance de contact |
25 mΩ ou moins |
|
Charge de travail minimale |
Charge résistive de 1mA en dessous de DC5V (valeur de référence standard N) |
|
Tension d'isolation nominale (Ui) |
300V |
|
Classe de protection contre les chocs électriques |
Classe II (double isolation) |
|
Degré de pollution (Conditions d'utilisation) |
Degré de pollution 3 (EN60947-5-1) |
|
Tension de tenue (EN60947-5-1) |
Entre bornes homopolaires : 2,5 kV |
|
Entre bornes hétéropolaires : 2,5 kV |
||
Entre bornes et parties métalliques non chargées : 6 kV |
||
Résistance d'isolation |
Supérieure à 100 MΩ |
|
Ecartement des contacts |
Type rapide minimum de 2×0,5 mm,
Type lent minimum de 2×2 mm
|
|
Vibration |
Dysfonctionnement |
10 ~ 55Hz amplitude simple de 0,75 mm |
Impact |
Durée |
1 000 m/s2 |
Dysfonctionnement |
300 m/s2 |
|
Température ambiante |
Utilisation : -20~+70℃ (sans givrage) |
|
Humidité ambiante |
Moins de 95% HR |
|
Poids |
Environ 82g (D4N-1120)
Environ 99g (D4N-5120)
|
Note 2. Une fois que le contact est connecté à une charge standard, il ne peut pas être utilisé pour connecter une charge plus petite. Dans ce cas, le contact peut entraîner une surface rugueuse, perdant ainsi la fiabilité du contact.
*1. Le niveau de protection est obtenu sur la base de la méthode d'essai de (EN60947-5-1). Veuillez vous assurer de son étanchéité dans les conditions environnementales réelles avant utilisation. La boîte de commutation a une structure résistante à la poussière et à l'huile, mais elle doit être utilisée dans des endroits sans poussière, huile et produits chimiques. Sinon, cela peut entraîner une usure prématurée, des dommages ou un dysfonctionnement.
2. La durabilité est pour une température ambiante de 5℃ ~ 35℃ et une humidité de 40% à 70% HR. Pour plus de détails, veuillez nous contacter.
*3. Lorsque la température ambiante est supérieure à 35℃, plus de 2 circuits 3A 250VAC
charges sont interdites.
*4. Les valeurs varieront en fonction de la fréquence de commutation, des conditions environnementales, du niveau de fiabilité et d'autres facteurs. Veuillez confirmer la charge réelle à l'avance.
Mécanisme de déconnexion forcée

Type à action rapide (1NC/1NO)(2NC), type à action lente (2NC)
Modèle
Caractéristiques d'action |
C4N-□120 C4N-□220 C4N-□B20 |
C4N-□122 C4N-□222 C4N-□B22 |
C4N-□125 C4N-□225 C4N-□B25 |
C4N-□226 C4N □B26 |
C4N-□131 C4N-□231 C4N-□B31 |
C4N-□132 C4N-□232 C4N-□B32 |
C4N-□162 C4N-□262 C4N-□B62 |
C4N-□172 C4N-□272 C4N-□B72 |
C4N-□12H C4N-□22H C4N-□B2H |
C4N- 12G C4N-□12M C4N-□22G C4N-□B2G*4 |
C4N-□□80 |
C4N- □□ 87 |
||
Force d'action |
DE |
Max. |
5,0N |
6,5N |
6,5N |
5,0N |
5,0N |
4,5N |
1,5N |
1,5N |
||||
Force de restauration |
RF |
Min. |
0,5N |
1,5N |
1,5N |
0,8N |
0,8N |
0,4N |
|
|
||||
Pré-voyage |
PT |
|
18~27° |
2mm |
2mm |
4mm |
4mm |
18 ~ 27° |
15° |
15° |
||||
Sur-voyage |
OT |
Min. |
40° |
4mm |
4mm |
5mm |
5mm |
40° |
|
|
||||
Mauvaise réponse de déplacement |
MD |
Max.*1 |
14° |
1mm |
1mm |
1,5mm |
1,5mm |
14° |
|
|
||||
Position d'action |
OP |
|
—— |
18,2±0,5mm |
28,6±0,8mm |
37±0,8mm |
27±0,8mm |
—— |
|
|
||||
Déplacement total |
TT |
*2 |
(80° ) |
(6mm) |
(6mm) |
(9mm) |
(9mm) |
(80° ) |
|
|
||||
Forcé pré-course déconnectée |
DOT |
Min.*3 |
50° |
3,2 mm |
3,2 mm |
5,8 mm |
4,8 mm |
50° |
|
|
||||
Force de déconnexion forcée |
DOF |
Min.*3 |
20N |
20N |
20N |
20N |
20N |
20N |
|
*1. Uniquement pour le type à action rapide.
*2. Valeurs de référence.
*3. Uniquement pour le type à action lente. Pour une utilisation sûre, veuillez vous assurer que toutes les valeurs sont dans la plage maximale ou minimale.
*4. La valeur de propriété lorsque la longueur du levier est de 32 mm.