

CM-1704
◼ Divers actionneurs et certains avec une position de fonctionnement réglable (comme CM1701)
as CM1701)
◼ Haute précision large plage de vitesse de fonctionnement
Évaluations
Tension nominale |
Charge non inductive (A) |
Charge inductive (A) |
Courant d'appel |
|||||||
Charge de résistance |
Charge de lampe |
Charge inductive |
Charge de moteur |
|||||||
NC |
NO |
NC |
NO |
NC |
NO |
NC |
NO |
NC |
NO |
|
125VAC
|
15
|
3
|
1,5
|
15
|
5
|
2,5
|
30
|
15
|
||
8VDC
|
15
|
3
|
1,5
|
15
|
5
|
2,5
|
Vitesse de fonctionnement |
0,05mm-1m/s (type à piston) |
Fréquence de fonctionnement |
Électrique : 20 opérations/min. |
Résistance de contact |
15mΩ max. (valeur initiale) |
Résistance d'isolation |
100mΩ min. (à 500VDC) |
Rigidité diélectrique |
1000VAC, 50/60 Hz pendant 1 minute entre les bornes de même polarité |
1500VAC, 50/60 HZ pendant 1 minute entre les parties métalliques portant le courant et celles ne portant pas le courant |
|
1500VAC, 50/60 HZ pendant 1 minute entre chaque borne et la terre |
|
Vibration |
(*10 à 20Hz): 1,5 Durée d'action de l'amplitude de vibration: 10 à 55Hz |
Choc |
Mécanique durable: 1 000m/Sec2 (environ 100G'S)
|
Température ambiante |
Utilisation : -20~+80℃ (sans givre) |
Humidité |
Type général : 85 % HR max., Type scellé : 95 % HR max. |
Durée de vie électrique |
500 000 opérations au-dessus |
Poids |
Environ 22 à 58g |
Caractéristiques de fonctionnement
Modèles |
CM1300 |
CM1301 |
CM1303 CM1303M |
CM1305 |
CM1306 |
CM1307 |
CM1308 CM1308X |
CM1309 |
CM1701 CM1706 |
CM1702 |
CM1703 CM1703M |
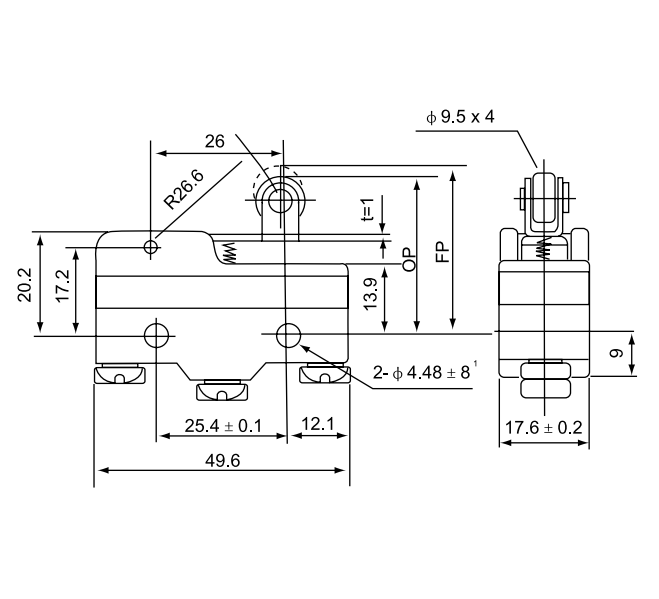
CM1704 CM1704M |
CM1705 |
CM1743 CM1743M |
OF (Max.) |
350g |
300g |
300g |
350g |
350g |
350g |
350g |
350g |
70g |
160g |
100g |
160g |
10g |
160g |
RF (Min.) |
114g |
50g |
50g |
114g |
114g |
114g |
114g |
114g |
14g |
28g |
22g |
42g |
3g |
42g |
PT (Max.) |
0,4mm |
4mm |
4mm |
0,4mm |
0,4mm |
0,4mm |
0,4mm |
0,4mm |
10mm |
5mm |
7,1mm |
2,7mm |
20mm |
2,7mm |
OT (Min.) |
0,13 mm |
1,6 mm |
1,6 mm |
1,6 mm |
1,6 mm |
5,5 mm |
3,58 mm |
3,58 mm |
5,6 mm |
2 mm |
4mm |
2,4 mm |
5,6 mm |
2,4 mm |
MD (Max.) |
0,05 mm |
1,3 mm |
1,3 mm |
0,05 mm |
0,05 mm |
0,05 mm |
0,05 mm |
0,05 mm |
1,27 mm |
1 mm |
1,02 mm |
0,5 mm |
3 mm |
0,5 mm |
FP (Max.) |
20,6 mm |
31,8 mm |
28,2 mm |
24,8 mm |
36,5 mm |
32,5 mm |
43,6 mm |
|||||||
OP (mm) |
15,9 ± 0,4 |
17,4 ± 0,8 |
28,6 ± 0,8 |
28,2 ± 0,5 |
21,5 ± 0,5 |
21,8 0,8 |
33,4±1,2 |
33,4±1,2 |
19±0,8 |
19±0,4 |
30,2±0,8 |
30,2±0,4 |
19±0,8 |
43,1±0,8 |