

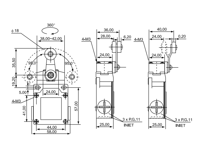
CSA-021
◼ Type de limiteur à double circuit
◼ Haute résistance mécanique, composé de plastique intensif et
moulé en aluminium
◼ Construction étanche à l'eau et à l'huile
◼ La boîte de contact intégrée a un double ressort et une longue durée de vie mécanique
◼ Fonctionnement fluide avec une plus grande distance de surcourse
◼ Divers actionneurs pour différentes applications
Évaluations
Tension nominale |
Charge non inductive (A) |
Charge inductive (A) |
||||||
Charge de résistance |
Charge de lampe |
Charge inductive |
Charge de moteur |
|||||
NC |
NO |
NC |
NO |
NC |
NO |
NC |
NO |
|
125VAC 250VAC
|
5
|
5
|
1,5
|
0,7 0,5
|
3
|
3
|
2
|
1
|
8VDC |
5 |
5 |
3 |
3 |
5 |
4 |
3 |
3 |
14VDC |
5 |
5 |
3 |
3 |
4 |
4 |
3 |
3 |
30VDC |
5 |
5 |
3 |
3 |
4 |
4 |
3 |
3 |
125VDC |
0,4 |
0,4 |
||||||
250VDC |
0,2 |
0,2 |
||||||
Courant d'appel |
N.C: en dessous de 24A, N.O: en dessous de 12A |
REMARQUES:1. La charge inductive a un facteur de puissance de 0,4 min. (AC) et une constante de temps de 7 msec. max. (DC).
2. La charge de lampe a un courant d'appel de 10 fois le courant nominal, tandis que la charge de moteur a un courant d'appel de 6 fois le courant nominal.
3. Produit avec ressort, sa plage d'utilisation de la partie opérante est dans un tiers de la longueur totale du ressort à partir de l'extrémité avant du ressort.
Vitesse de fonctionnement |
5mm-0.5m/s |
Fréquence de fonctionnement |
Électrique: 30 opérations/min |
Résistance de contact |
25mΩ max. (valeur initiale) |
Résistance d'isolation |
100mΩ min. (en dessous de 500VDC) |
Rigidité diélectrique |
1000VAC, 50/60 Hz pendant 1 minute entre les bornes de même polarité |
1500VAC, 50/60 Hz pendant 1 minute entre les parties métalliques conductrices de courant et non conductrices de courant |
|
1500VAC, 50/60 Hz pendant 1 minute entre chaque borne et la terre |
|
Vibration |
10-55Hz, amplitude double de 1,5mm |
Choc |
Résistant mécaniquement : 1 000m/Sec2 (environ 100G'S) Dysfonctionnement : 300m/Sec2 (environ 30G'S) |
Température ambiante |
Utilisation : -20~+70℃ (sans formation de glace) |
Humidité |
<95% HR |
Durée de vie électrique |
500 000 opérations au-dessus |
Degré de protection |
IP65 |
Caractéristiques de fonctionnement
Modèle |
CSA |
CSA-001 |
CSA-003 |
CSA-012 |
CSA-021 CSA-021M |
CSA-041 |
CSA-031 CSA-031M |
CSA-051 |
CSA-061 |
CSA-071 |
CSA-081 |
Force de fonctionnement |
FF (Max.) |
800g |
800g |
800g |
400g |
400g |
400g |
400g |
150g |
150g |
150g |
Force de libération |
FL (Min.) |
400g |
400g |
400g |
100g |
100g |
100g |
100g |
50g |
50g |
50g |
Pré-voyage |
PT (Max.) |
1,8mm |
1,8mm |
1,8mm |
20° |
20° |
20° |
20° |
30mm |
30mm |
30mm |
Position de déclenchement |
TP ±10% |
2,0 mm |
2,0 mm |
2,0 mm |
22,5° |
22,5° |
22,5° |
22,5° |
22,5° |
22,5° |
22,5° |
Différentiel de mouvement |
MD (Max.) |
1,2 mm |
1,2 mm |
1,2 mm |
10° |
10° |
10° |
10° |
14° |
14° |
14° |
Course excessive |
OT (Min.) |
4,0 mm |
4,0 mm |
4,0 mm |
75° |
75° |
75° |
75° |
20 mm |
20 mm |
20 mm |
Déplacement total |
TT (Min.) |
5,8 mm |
5,8 mm |
5,8 mm |
95° |
95° |
95° |
95° |
50 mm |
50 mm |
50 mm |
Indexation rotative |
|
|
|
|
22,5° |
22,5° |
22,5° |
22,5° |
|
|
|